Tecomat Foxtrot řídí zařízení S.A.W.E.R., které umí vyrábět vodu ze vzduchu
Popis reference
Proměnit suchou a horkou poušť v zelenou krajinu mohlo donedávna znít jako sen nebo pohádka. Autonomní systém S.A.W.E.R. (Solar Air Water Earth Resource) však dokáže proměnit suchou a horkou poušť v zelenou krajinu prostřednictvím vody ze vzduchu a sluneční energie. Dokáže tedy i v extrémně suchém a horkém klimatu získat ze vzduchu vodu, kterou je možné použít pro lidskou spotřebu, napájení hospodářských zvířat nebo pro zavlažování rostlin. Tento unikátní systém vyvinuli čeští vědci a řízení celého procesu v něm svěřili řídicímu systému Tecomat Foxtrot.
Výroba pitné vody
S.A.W.E.R. vyrábí destilovanou vodu, která se dobře uchovává a pro další použití dále upravuje. Pro závlahu rostlin ji o živiny obohacuje fotobioreaktor, který dodává Botanický ústav AV ČR, na pitnou vodu ji mění remineralizační jednotka WatiMin. Zpětná mineralizace vody se používá právě v případech, kdy do demineralizované (osmotické) vody je zapotřebí doplnit zdraví prospěšné látky, aby splnila legislativní požadavky na pitnou vodu. Voda je obohacována o vápník, hořčík a draslík.
Historie vzniku
S myšlenkou vzniku systému S.A.W.E.R. přišel v únoru 2017 Jiří F. Potužník v rámci koncepce účasti České republiky na EXPO 2020 v Dubaji, jejímž ústředním tématem je získávání vody ze vzduchu a kultivace pouště na úrodnou zahradu. Odborný vývoj a realizaci technologie převzal na podzim 2017 tým Univerzitního centra energeticky efektivních budov ČVUT (zkratka ČVUT UCEEB) vedený Tomášem Matuškou. Patenty a licenční práva k zařízení proto patří této výzkumné instituci. Na vývoji se kromě ČVUT UCEEB podílí také Fakulta strojní ČVUT v Praze ve spolupráci s Botanickým ústavem Akademie věd ČR.
V létě 2019 spustili vědci z ČVUT UCEEB zkušební provoz systému v poušti Sweihan ve Spojených arabských emirátech. Během šestiměsíčního testování v reálném pouštním prostředí si ověřili, že S.A.W.E.R. dokáže vyrábět vodu ze vzduchu i v náročných podmínkách v podobě vysokých teplot, jemného písku kolem a dalším nepříznivým povětrnostním vlivům.
Poznatky získané během zkušebního provozu prvního prototypu byly později využity při výrobě výkonnějšího zařízení s produkční kapacitou 500 litrů vody denně. Toto zařízení využívá stejnou technologii jako kontejnerová provedení a bylo vyprojektováno jako součást vybavení pavilonu České republiky na světové výstavě EXPO 2020 v Dubaji. V únoru 2020 bylo pak vypraveno na cestu z buštěhradských laboratoří ČVUT UCEEB do Dubaje, kde se stalo významnou součástí pavilonu České republiky. Tam z vyrobené vody zavlažuje oázu vyrůstající z písku kolem pavilonu. Získávání vody ze vzduchu a kultivace pouště na úrodnou zahradu je také hlavním tématem Českého pavilonu.
Princip zařízení
Zařízení S.A.W.E.R. se skládá ze dvou kontejnerových jednotek. Produkční kontejner obsahuje sorpční jednotku, zásobník vody a úpravnu na pitnou vodu. Lze ho zapojit na třífázovou elektrickou síť a samostatně tak může dodávat pitnou vodu. Pro autonomní provoz je nutné přidat energetický kontejner, který obsahuje bateriové úložiště, akumulátory tepla a chladu a dále solární střechu realizovanou nad oběma kontejnery. Propojením střechy a kontejnerů je možné pitnou vodu produkovat a dodávat autonomně bez napojení na energetické sítě. Kontejnery mají vnější půdorysné rozměry 2,4 x 6,0 m a výšku 2,9 m.
Systém na získávání vody ze vzduchu je využíván jako dvojstupňový systém, v němž se v první fázi použije desikant – materiál, který na svůj povrch váže vodní páru adsorpcí. Ten venkovnímu vzduchu odebere vodní obsah a zadrží ho na svém povrchu. Odvlhčený vzduch se odvede zpátky do venkovního prostředí. Zároveň se do systému nasaje další venkovní vzduch se svým přirozeným obsahem vodní páry, který se nejdříve ohřeje na tak vysokou teplotu, aby bylo možné z povrchu desikantu vodní páru uvolnit, a tím pouštní vzduch navlhčit. Vzduch při zvýšené teplotě do sebe totiž může vázat větší množství vodní páry. Na chladič pak přichází výrazně vlhčí vzduch, než je venkovní vzduch z pouště. Díky tomu lze chladičem získat daleko více vody kondenzací ze vzduchu.
Typová jednotka S.A.W.E.R. využívá celkový průtok venkovního vzduchu 2000 m3/h a v suchém a horkém prostředí pouště (klimatické podmínky Rijád) vyprodukuje v autonomním provozu průměrně 100 litrů vody denně. Pokud je zařízení napojeno na síť, produkce je zhruba dvojnásobná. V takovém prostředí má zařízení S.A.W.E.R. oproti běžným čistě kondenzačním zařízením osmkrát vyšší produkci vody.
V případě typických pouštních podmínek: teplota vzduchu 30 °C a relativní vlhkost 20 % vyprodukuje zařízení S.A.W.E.R. při ideální dodávce energií každou hodinu 8 litrů pitné vody, zatímco pouhým zchlazením vzduchu chladičem o teplotě 5 °C se nezíská voda žádná.
Autonomní provoz
Zařízení S.A.W.E.R. může být provozováno zcela autonomně bez potřeby vnější energie. Energii na svůj provoz získává z místního prostředí: elektrickou energii na pohon chladicího zařízení a ventilátorů z fotovoltaických modulů, teplo pro ohřev vzduchu ze solárních tepelných kolektorů a chlad pro předchlazení vzduchu z fotovoltaicko-tepelných kolektorů využitých pro noční chlazení. Provoz doplňuje akumulace energie ve formě bateriového úložiště a akumulátorů tepla a chladu. Zařízení může zároveň pracovat v hybridním režimu, tzn. za částečného nebo úplného napojení na elektrickou síť nebo mobilní zdroj elektrické energie. Zařízení S.A.W.E.R. je proto vhodné jak do oblastí napojených na infrastrukturu (voda, elektrická energie), tak především do oblastí, kde žádná infrastruktura není. Zařízení je optimalizováno pro provoz v horkých a suchých oblastech (pouště), nicméně pro jiné oblasti je možné proces optimalizovat.
S.A.W.E.R. je řízen systémem Tecomat Foxtrot
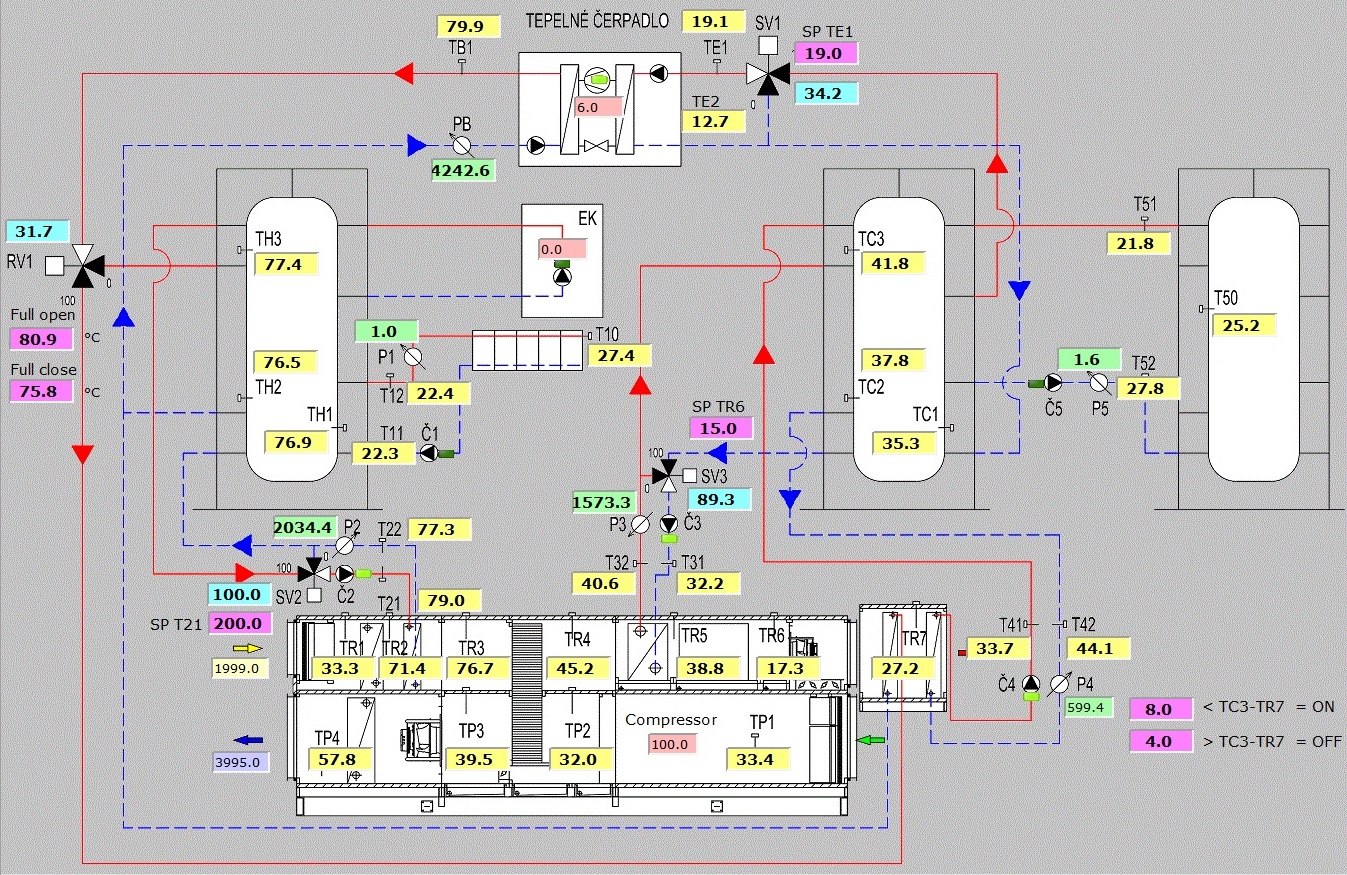
Systém Tecomat Foxtrot vědci z UCEEB znali již díky jiným projektům, kde se jim osvědčil. I díky tomu svěřili řízení celého procesu v systému S.A.W.E.R. právě tomtuo programovatelnému automatu a aplikačním programem mu vdechli život. Tecomat Foxtrot se zde stará nejen o řízení celého zařízení včetně jeho napájení ze solárních panelů a baterií, ale zajišťuje také připojení celého zařízení do Internetu věcí (IoT) a přes zabezpečenou komunikační technologii TecoRoute umožňuje přes webovou stránku Foxtrotu online dálkovou správu, monitoring a servis celé instalace.
Doc. Tomáš Matuška vysvětluje, co znamená zkratka S.A.W.E.R.: „Je to zkratka slov Solar-Air-Water-Earth-Resource. Tedy vlastně všech komponent, se kterými systém pracuje. Kromě samotné vzduchotecnické jednotky je součástí systému i úpravna vody společnosti Euroclean, která ji desinfikuje a následně mineralizuje."
Ing. Pavel Pelan, který Foxtrot programoval, k energetické části řekl: „Kromě kombinovaných jsou použity i standardní fotovoltaické panely. Třífázovou instalaci napájejí hybridní střídače Studer spolupracující s bateriovým uložištěm BMZ a dále tepelné čerpadlo. Tedy součásti, které máme ověřeny u nás v Buštěhradu a používají se i v jiných budovách i v rodinných domech. Foxtrot se všemi těmito částmi komunikuje, průběžně měří parametry ve všech částech procesu a poveluje základní vzduchotechnickou jednotku tak, aby byl její chod energeticky optimalizován a výstup, tedy voda, maximalizován."














